
Control System
Control System
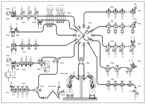
Automated pigging systems need a control system for the control of the various steps of the pigging operation.
This is effected by an “SPS” (stored program system), which is often known to as a PLC controlled system.
The status of all stations and the position of the pigs can be controlled throughout the whole plant operational process/procedure.
The single elements of the pigging system can be connected to the control unit either conventionally or via a bus system.
When programming the control system the knowledge of the programmers is most important in order to ensures a smooth pigging process.
I.S.T has more than 25 years experience in the development of automated process control.



